15129456178
18991765453
邮箱:yuhui_js@163.com
地址:陕西省宝鸡市巨福路30号创业大厦3层
COPYRIGHT © 2018 备案号: 陕ICP备2022008257号-1 陕ICP备2022008257号-1陕西巨森物联信息技术有限公司 版权所有 技术支持:网站建设 网站地图
一般条件
6.1安装条件
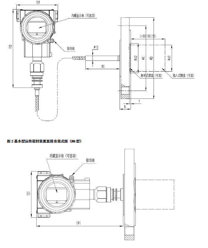
不带毛细管的表压/绝压远传变送器可以通过远传法兰直接安装,位置偏差将产生可校正的零位偏移。电子表壳最大可旋转360°,定位螺钉可将其固定于任何位置。
表压/绝压远传法兰与符合ANSI/DIN标准的配套法兰相连接,该配套法兰应配有软性垫片和安装固定的螺栓、螺母(用户可选配安装螺栓、螺母)。
对于带毛细管的表压/绝压远传变送器,如果远传密封装置低于变送器本体,则远传密封装置与变送器本体的最大高度落差应<5m。当工作压力低于100kPa绝对压力时,变送器本体必须低于远传密封装置。
毛细管的最小弯曲半径为75mm,严禁缠绕!
6.2环境条件
环境温度
最低:取决于填充液
最高:85℃
带液晶显示、氟橡胶密封圈时 -20~65℃
储存温度/运输温度
最低:取决于填充液
最高:85℃
相对湿度:0~100%
抗冲击
加速度:50g
持续时间:11ms
抗震动
2g至500Hz
电磁兼容性(EMC)

注:(1)A性能等级说明:测试时,在技术规范极限内性能正常。
(2)B性能等级说明:测试时,功能或性能暂时降低或丧失,但能自行恢复,实际运行状况、存储及其数据不改变。
6.3过程介质极限温度极限
介质温度:-30~400℃
表3填充液、工作温度和最小工作压力关系表

注:超出以上工作温度和压力关系范围的应特别指出,可以通过特殊设计来满足要求。
变送器本体压力极限:真空至最大压力
远传法兰额定压力:
ANSI标准 :150psi~600psi
DIN标准: PN 1.6MPa~PN 10MPa
重量
DN 50/2”约7~10kg,DN 80/3”约8~11kg,DN 4”约9~12kg。
防爆性能
NEPSI隔爆许可:Ex dⅡC T6
NEPSI本安许可:Ex iaⅡC T4
允许使用温度为:-40℃~65℃
6.4电源及负载条件
电源电压为24V
R≤(Us-12V)/Imax kΩ
其中 Imax=23 mA
最大电源电压:42VDC
最小电源电压:12VDC,15VDC(背光液晶显示)
数字通讯负载范围: 250~600Ω
材质
测量膜盒:不锈钢 316L
膜片: 不锈钢 316L、哈氏合金C、钽
过程法兰:不锈钢 304
填充液: 硅油、高温硅油、超高温硅油、植物油
变送器外壳:铝合金材质,外表喷涂环氧树脂
外壳密封圈:丁腈橡胶(NBR)
铭牌: 不锈钢 304
电气连接
M20X1.5电缆密封扣,接线端子适用于0.5~2.5mm2的导线。
过程连接
远传法兰符合ANSI标准或DIN标准。可直接安装,参加尺寸图。
外壳防护等级:IP67
7外形尺寸 单位(mm)
图1基本型远传密封装置图(RS型)




